Aerodyne C-ToF AMS (Compact Time-of-Flight AMS)
In 2007 we upgraded our Q-AMS to a C-ToF-AMS in order to gain sensitivity and mass resolution. The gain in sensitivity is especially important for mobile measurements (aircraft, mobile laboratory), because here a high time resolution is desired. The C-ToF-AMS was integrated into the two DLR Falcon racks that carried the Q-AMS and was operated on two aircraft missions in 2008 (POLARCAT with the ATR-42 and CONCERT with the Falcon). After that it was used in numerous ground based missions (see Projects).
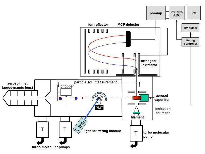
It is also equipped with a light scattering probe (LSP) that enables single particle analysis. The light scattering probe was first used during the MEGAPOLI 2009 summer campaign and was after that routinely used during all following projects.
In December 2012 we integrated the instrument into one HALO rack. The first ground based mission in the new one-rack configuration is the INUIT-JFJ campaign in Jan/Feb 2013. The first HALO mission for the C-ToF-AMS is ACRIDICON-CHUVA which is scheduled for 2014.
For more info on the C-ToF-AMS in general see the mass spectrometry pages by Jose Jimenez.
Pictures:
C-ToF-AMS in the two-rack configuration:
C-ToF-AMS in HALO rack:
(all pictures (c) by J. Schneider)
References:
Instrument description:
Drewnick, Frank, Silke S. Hings, Peter DeCarlo, John T. Jayne, Marc Gonin, Katrin Fuhrer, Silke Weimer, Jose L. Jimenez, Kenneth L. Demerjian, Stephan Borrmann, Douglas R. Worsnop: A new Time-of-Flight Aerosol Mass Spectrometer (TOF-AMS) : Instrument Description and First Field Deployment, Aerosol Science & Technology 39, 637-658, 2005.
Aircraft application:
Schmale, J., J. Schneider, T. Jurkat, C. Voigt, H. Kalesse, M. Rautenhaus, M. Lichtenstern, H. Schlager, G. Ancellet, F. Arnold, M. Gerding, I. Mattis, M. Wendisch, and S. Borrmann, Aerosol layers from the 2008 eruptions of Mt. Okmok and Mt. Kasatochi: In-situ UT/LS measurements of sulfate and organics over Europe, J. Geophys. Res., 115, D00L07, doi:10.1029/2009JD013628, 2010.
Schmale, J., Schneider, J., Ancellet, G., Quennehen, B., Stohl, A., Sodemann, H., Burkhart, J., Hamburger, T., Arnold, S. R., Schwarzenboeck, A., Borrmann, S., and Law, K. S.: Source identification and airborne chemical characterisation of aerosol pollution from long-range transport over Greenland during POLARCAT summer campaign 2008, Atmos. Chem. Phys., 11, 10097-10123, doi:10.5194/acp-11-10097-2011, 2011.
Light scattering probe:
Freutel, F., Drewnick, F., Schneider, J., Klimach, T., and Borrmann, S.: Quantitative single particle analysis with the Aerodyne aerosol mass spectrometer: development of a new classification algorithm and its application to field data, Atmos. Meas. Tech., 6, 3131-3145, doi:10.5194/amt-6-3131-2013, 2013.



