Hauptinhalt
English
Institut
Über Uns
Organisation
Organigramm
Fachbeirat
Gemeinsame Einrichtungen
Mitarbeitendenliste
Scientific Report
Paul J. Crutzen
Anthropocene
Geschichte
Chroniken der Direktoren
Ausstellung Meilensteine
Highlights & Nobelpreise
Weiterführende Literatur
Hochdruckforscher M. Eremets
Kunst am MPIC
Forschung
Abteilungen
Aerosolchemie | Y. Cheng
Atmosphärenchemie | E. Kort
Klimageochemie | G. Haug
Multiphasenchemie | U. Pöschl
unabhängige Forschungsgruppen
Hominini Forschung | T. Lüdecke
Satellitenfernerkundung | T. Wagner
Übersicht
Kooperationen
Emeriti
Expeditionen
Publikationen
Aktuelles
Veranstaltungen
Presse
Pressemeldungen
Bildergalerie
Videos
MPIC in den Medien
MPIC Newsletter
MPG Jahrbücher
Karriere
Stellenangebote
Karriere bei Max-Planck
Ausbildung
Ausbildungsangebote
PCGS Graduate School
Our Students
Curriculum
Education
Information for new students
Application
Downloads
Max Planck Graduate Center
Chancengleichheit
Gästeprogramm
Praktikum
Alumni
Service
Kontakt
Anreise
Gästehaus
Infos für Gastwissenschaftler
Links
Schüler-Lehrer-Infos
Wissenschaftliche Datenbanken
Informationen zum Klimawandel
Informationen zum Infektionsschutz
Intranet
English
Max-Planck-Institut für Chemie
Startseite
Forschung
Partikelchemie
Instrumente
REM Bildgalerie
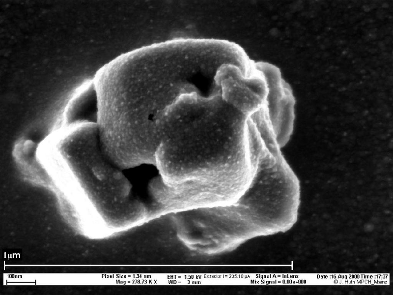
REM-Aufnahmen von Aerosolpartikeln gesammelt über dem Mittelmeer
REM - Aufnahmen von Aerosol-Partikeln gesammelt über dem Mittelmeer
REM - Aufnahmen von Aerosol-Partikeln gesammelt über dem Mittelmeer
REM - Aufnahmen von Aerosol-Partikeln gesammelt über dem Mittelmeer
J. Huth, P. Formenti, A. Rausch, B. Steude und G. Helas
REM - Aufnahmen von Aerosol-Partikeln gesammelt über dem Mittelmeer
J. Huth, P. Formenti, A. Rausch, B. Steude und G. Helas
REM - Aufnahmen von Aerosol-Partikeln gesammelt über dem Mittelmeer
J. Huth, P. Formenti, A. Rausch, B. Steude und G. Helas
Zur Redakteursansicht