Presolar grains (stardust) and more

Presolar grains are found in the fine-grained matrix of primitive meteorites as well as in IDPs (Interplanetary Dust Particles). They exhibit isotopic compositions distinct from those in the Solar System. This implies that these grains must have formed in the winds of evolved stars or in the ejecta of stellar explosions (supernovae, novae). The isotopic compositions of major and of minor and trace elements contained in presolar grains provide information about stellar nucleosynthesis and evolution. Here, you find pictures of meteoritic dust grains, some of which have a presolar origin.
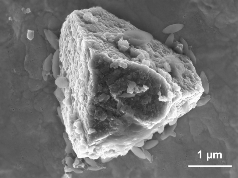
a) Silicon carbide (SiC): It was found that all SiC grains in primitive meteorites have a presolar origin. To identify grains from supernova explosions, so-called X and C grains, it is necessary to perform silicon isotopic analyses. Pictures 7-10 show SiC  X grains after analysis with the Cameca IMS3f ion probe (pictures 7 and 9) as well as with the Cameca NanoSIMS 50 ion probe (pictures 8 and 10). It can be seen that isotope analyses with the ion probe are not non-destructive, but consume some fraction of analyzed samples.
b) Silicon nitride (Si3N4): Only a small fraction of meteoritic Si3N4 has a presolar origin. For that reason it is not possible to identify presolar Si3N4 without isotope analysis. The following pictures show meteoritic Si3N4 grains, which, however, are not necessarily presolar. Only the Si3N4 grain shown in picture 20 has a proven presolar origin based on isotope measurements with the Cameca IMS3f ion probe.
Note on sample preparation: All grains are uncoated and mounted on gold foil.
J. Huth, A. Besmehn, J. Kodolányi, and P. Hoppe

2. SiC

3. SiC

4. SiC

5. SiC

6. SiC

7. SiC X

8. SiC X

9. SiC X

10. SiC X

11. Si3N4

12. Si3N4

13. Si3N4

14. Si3N4

15. Si3N4

16. Si3N4

17. Si3N4

18. Si3N4

19. Si3N4

20. Si3N4

21. Si3N4

22. Si3N4

23. Si3N4

24. Si3N4

25. SiC

26. SiC

Go to Editor View