Präsolare Körner ("Sternenstaub") und mehr

Präsolare Körner sind sowohl fein verteilt in der Matrix primitiver Meteorite als auch in IDP's (Interplanetary Dust Particles) zu finden. Sie zeigen Isotopen-Zusammensetzungen, die von denen im Sonnensystem abweichen. So kann kein Zweifel bestehen, dass diese Körner aus Material gebildet wurden, welches von Sternen entweder in Explosionen (Novae, Supernovae) oder in Form von Winden emittiert wurde. Die isotopischen Häufigkeiten verschiedener Elemente lassen dann auf die im jeweiligen Sterninneren abgelaufenen Nukleosynthese- und Mischprozesse schließen. Hier finden Sie Bilder einiger Minerale, die als präsolare Körner in Frage kommen.
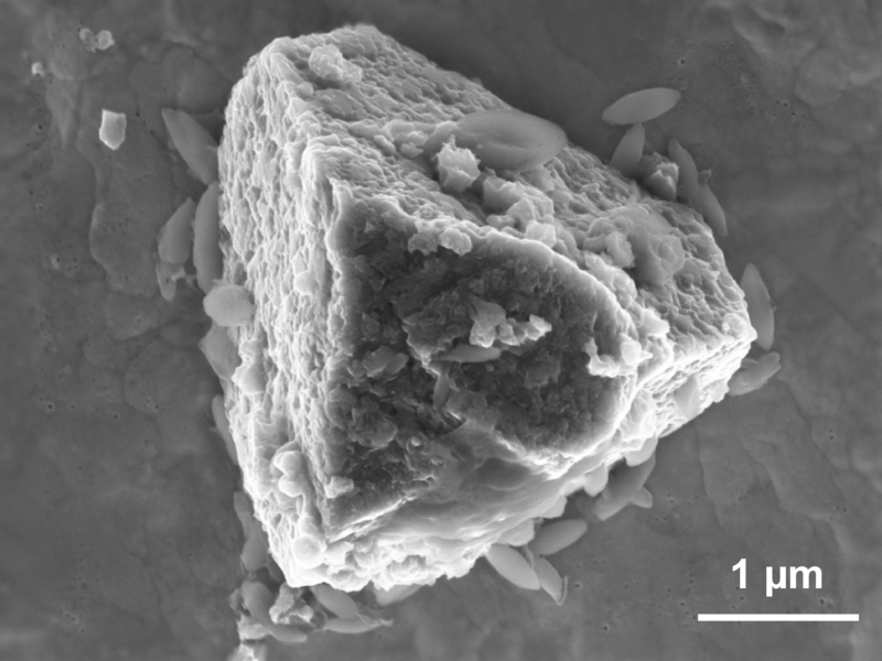
a) Siliziumkarbid (SiC): Es hat sich herausgestellt, dass alles SiC in primitiven Meteoriten präsolaren Ursprungs ist. Um SiC-Körner aus Supernova-Explosionen, die sogenannten SiC X- und C-Körner, zu identifizieren, ist die Analyse der Siliziumisotope notwendig. Die Bilder 7-10 zeigen identifizierte SiC X-Körner nach der ‚Grobanalyse' mit der Ionensonde Cameca IMS3f (Bilder 7 und 9) sowie nach der ‚Feinanalyse' mit der Ionensonde Cameca NanoSIMS 50 (Bilder 8 und 10). Man kann erkennen, dass die Isotopenmessung mit der Ionensonde keine zerstörungsfreie Methode ist, sondern dass eine gewisse Menge an Material abgetragen worden ist.
b) Siliziumnitrid (Si3N4): Nur ein geringer Teil des in primitiven Meteoriten gefundenen Si3N4 ist präsolaren Ursprungs. Aus diesem Grund ist es nicht möglich, präsolares Si3N4 ohne Isotopenanalyse zu identifizieren. Die folgenden Bilder stellen somit zwar meteoritisches Si3N4 dar, aber es muss nicht präsolar sein. Bild 20: Dieses Si3N4-Korn ist als präsolar anhand der Isotopenmessung mit der Ionensonde Cameca IMS3f identifiziert worden.
Hinweis zur Präparation: Alle Körner sind unbedampft auf Goldfolie aufgebracht.
J. Huth, A. Besmehn, J. Kodolányi und P. Hoppe

2. SiC

3. SiC

4. SiC

5. SiC

6. SiC

7. SiC X

8. SiC X

9. SiC X

10. SiC X

11. Si3N4

12. Si3N4

13. Si3N4

14. Si3N4

15. Si3N4

16. Si3N4

17. Si3N4

18. Si3N4

19. Si3N4

20. Si3N4

21. Si3N4

22. Si3N4

23. Si3N4

24. Si3N4

25. SiC

26. SiC

Zur Redakteursansicht